海灣DH-GST-N2100系列剩余式電流互感器
海灣DH-GST-N2100系列剩余式電流互感器

一、海灣DH-GST-N2100系列剩余式電流互感器概述
DH-GST-N2100系列剩余電流互感器可以與DH-GST-N3101-8組合式電氣火災監控探測器搭配使用,構成電氣火災監控系統,能實時監測被監測回路的剩余電流值,
可以有效地保障安全用電和防止電氣火災的發生。
二、DH-GST-N2100系列剩余式電流互感器特點
外形美觀,內窗大,外形小,方便使用
母排互感器內徑使用跑道形,平衡性更好
10種閉口規格,3種開口規格,選擇多樣
內置限壓和二次開路保護電路,防護性能更佳
使用螺釘安裝,施工方便,牢固可靠
三、海灣DH-GST-N2100系列剩余式電流互感器參數
| 分類 | 互感器型號 | 建議主回路額定工作電流(A) | 互感器窗口尺寸(mm) |
| 閉口式,圓孔 | DH-GST-N2100-Y-100 DH-GST-N2100-Y-250 DH-GST-N2100-Y-400 DH-GST-N2100-Y-630 | 100A 250A 400A 630A | Φ45 Φ65 Φ80 Φ105 |
| 閉口式,方孔 | DH-GST-N2100-F-100 DH-GST-N2100-F-250 DH-GST-N2100-F-400 DH-GST-N2100-F-630 DH-GST-N2100-F-1000 DH-GST-N2100-F-2000 | 100A 250A 400A 630A 1000A 2000A | 130*35 150*40 210*45 250*50 330*60 450*80 |
| 開口式,圓孔 | DH-GST-N2100-Y-100K DH-GST-N2100-Y-250K DH-GST-N2100-Y-400K | 100A 250A 400A | Φ50 Φ70 Φ90 |
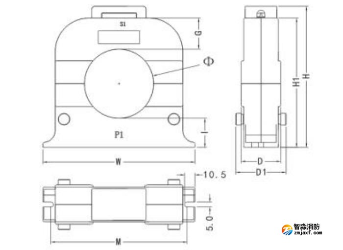
四、海灣DH-GST-N2100系列剩余式電流互感器外形尺寸圖
閉口式,圓孔100A-630A外形尺寸圖:


閉口式,方孔100A-630A外形尺寸圖:


開口式,圓孔100A-400A外形尺寸圖:


海灣消防公司主營:海灣消防報警系統銷售,消防設備安裝,海灣氣體滅火、海灣電氣火災、消防水噴淋系統施工安裝,售后維修,海灣消防網站:http://www.ixsk.cn/;海灣消防服務熱線:4006-598-119
本頁關鍵詞:海灣DH-GST-N2100系列剩余式電流互感器
上一篇:海灣DH-GSTN5100/50F剩余電流式電氣火災監控探測器 下一篇:沒有了!
產品中心

蘇公網安備32058102002147號